Dein Warenkorb ist gerade leer!
Hauptschalter / Hauptschalter EC-blue / ZR-349068
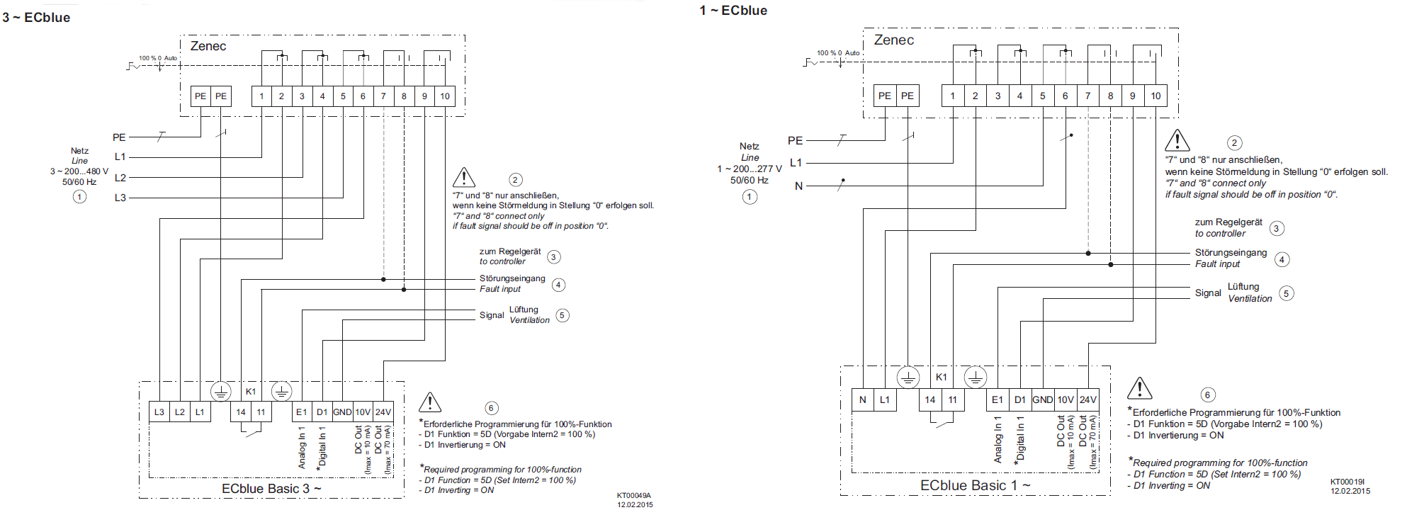
Hauptschalter für ECblue Ventilatoren (1~ und 3 ~) mit 100%-Funktion.: Bei ECblue Ventilatoren wird die volle Drehzahl durch das Öffnen eines dafür programmierten digitalen Eingangs aktiviert.
2 vorrätig
Beschreibung
Hauptschalter für ECblue Ventilatoren (1~ und 3 ~) mit 100%-
Funktion.
Der Hauptschalter ist nur für Ventilatoren geeignet, die über eine Ansteuerungsmöglichkeit für die 100%-Funktion verfügen. Diese ermöglicht einen Betrieb mit voller Drehzahl bei Ausfall des Vorgabesignals.
Zusätzliche Informationen
| Matchcode | Hauptschalter EC-blue |
|---|---|
| Produktgruppe | Hauptschalter |
| Merkmale | Zenec-Hauptschalter mit Schalterposition 0=Abschaltung des Ventilators (abschließbar), Auto = Regelbetrieb und 100% = Ventilator läuft mit voller Drehzahl unabhängig vom Vorgabesignal. |
| Technische Daten | Max. Vorsicherung 25A Umgebungstemperatur -25…+60°C, IP65, 0, 24kg 50/60Hz, 3~690V Bemessungsbetriebsspannung Ue, Bemessungsbetriebsstrom Ie = 20 A (AC21A) |
| Baugröße (R=für Rohreinbau) / Abmessungen | 90, 5 x 90, 5 x 107 |
| für Baureihen | für ECblue-Ventilatoren 1~ und 3~ |







